ウエブアプリ作りました

めっちゃ簡単に溶接配管の切り寸法を計算出来るように作りました。
使ってみて下さい。

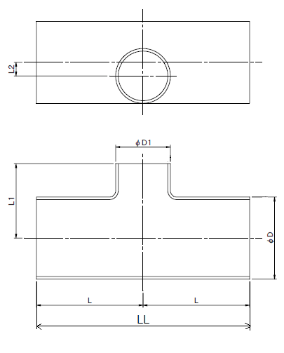
サニタリー継手 溶接式 異径偏心チーズ srtwの規格・寸法表












※ 協和ステンレス(株)社製の寸法表になります。他社のサニタリー製品とは寸法等が違うのもあるため注意して下さい。



サニタリー 溶接式 異径偏心チーズ stlw

呼径

LL

L

L1

L2

D

D1

1.5S×1S

99

49.5

34.5

6.35

38.1

25.4

2S×1S

123

61.5

49.5

12.7

50.8

25.4

2S×1.5S

123

61.5

49.5

6.35

50.8

38.1

2.5S×1.5S

169

84.5

61.5

12.7

63.5

38.1

2.5S×2S

169

84.5

61.5

6.35

63.5

50.8

3S×1.5S

179

89.5

61.5

19.1

76.3

38.1

3S×2S

179

89.5

61.5

12.75

76.3

50.8

3S×2.5S

179

89.5

84.5

6.4

76.3

63.5

呼径

LL

L

L1

L2

D

D1


※ 参考サイト 協和ステンレス株式会社

※ Data及びその活用結果の責任は負いません。
使用者の責任において活用して下さい。


TOPページに戻る



スポンサーリンク

お知らせ

2025年4月5日
✴️「スマホ用 デジタルレベル」をサイドバー内に追加しました。ぜひ現場で活用して下さい。
スマホでは表示されますが、パソコンでは機能しないため非表示にしてあります。

2025年3月13日
✴️「Uボルト換算表」をサイドバー内に表示しました。サポート作りに活用下さい。

2025年3月12日
✴️「直角三角形計算ツール」をサイドバー内に表示しました。
45°配管等にぜひ活用して下さい。

2025年3月10日
✴️「溶接配管切寸法計算ツール」のバグ修正版を公開しました。
このツールの希望やバグ報告は大歓迎です。
お問い合わせフォームから連絡を下さい。需要が有りそうなら他のタイプのツールも作りたいと考えています。


2025年3月8日
✴️「溶接配管切寸法計算ツール」を一時的に公開を中止します。
バグを修復後改めて公開します。


2025年3月5日
✴️ 「溶接配管切寸法計算ツール」のβバージョンを公開しました。 このツールの希望やバグ報告は大歓迎です。
問い合わせフォームから連絡を下さい。要望があるなら他のタイプのツールも作りたいと考えています。


2025年2月23日
✴️ coming soon !!
当サイトの記事中での掲載で意外と便利かもしれないアプリを開発中です。
近日公開予定!!